3.6.2. Выпрямители с постовыми
балластными реостатами
3.6.3. Источники с постовыми
полупроводниковыми устройствами
Такие
источники выгодно отличаются от рассмотренных отсутствием потерь электроэнергии
из-за отсутствия дополнительных постовых балластных реостатов. Постовые
устройства выполняются с использованием силовых вентилей – тиристоров и
транзисторов. Различают постовые выпрямительные блоки, подключенные к общему
источнику переменного тока (рис.
3.34,б ), и постовые
регуляторы, питающиеся от выводов постоянного тока многопостового выпрямителя
(см. рис.3.34,а).
представляет собой многопостовую систему, в которой общими
являются только корпус, автоматический выключатель
для
подключения к трехфазной сети и защиты, магнитный пускатель для оперативных
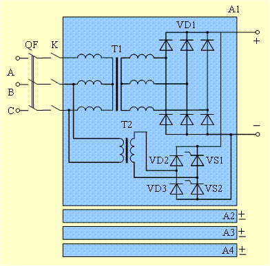
включений-выключений и два вентилятора с цепями пуска и контроля (рис.3.37).
Каждое из четырех постовых устройств установлено внутри этого корпуса и представляет собой комплектный
выпрямитель, состоящий из трансформаторов и трехфазного
блока
и однофазного блока
а также блока управления.

Рис.3.37. Принципиальная схема
выпрямителя ВДМ-4х3010
Выпрямитель
предназначен для питания четырех постов при сварке магистрального трубопровода.
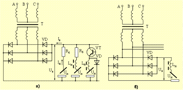
Постовой
транзисторный регулятор марки
США) управляет выпрямленным током (рис.3.38). Он выполнен по схеме
понижающего транзисторного преобразователя. Блок диодов
предупреждает неверное подключение регулятора к шинам
многопостовой выпрямительной системы. Электромагнитный контактор обеспечивает включение и защиту
регулятора от перегрузок. Буферная батарея конденсаторов
совмещает функции сглаживающего фильтра и накопителя
энергии для устойчивой работы регулятора. В качестве силовых переключающих
приборов использованы два параллельно включенных транзисторно-диодных модуля
(чоппера) А1 и А2,
каждый с
и обратным диодом
Для сглаживания сварочного тока используются дроссели
Такой
регулятор имеет комбинированную внешнюю характеристику с падающим рабочим
участком и предназначен для питания дуги при сварке покрытым электродом на
постоянном токе. При механизированной сварке сплошной и порошковой проволокой
регулятор имеет жесткую характеристику на рабочем участке. Внешние
характеристики формируются с помощью обратных связей по току и напряжению.

Рис.3.38. Постовой
транзисторный регулятор
Постовой
транзисторный регулятор, как правило, легче балластного реостата, допускает дистанционное
регулирование режима, может иметь специальные функции, присущие источникам с
высокочастотным преобразованием (горячий пуск, форсирование дуги, защита от
прилипания и т. д.). Структура регулятора для аргонодуговой сварки такая же, но
для обеспечения дуги прямой полярности используется
другой
конструкции – диодно-транзисторный.
Вопросы для самопроверки
(глава 3)
Далее: 4.1. Коллекторные генераторы
Назад: 3.5.4. Универсальные
инверторные источники
3.6. Многопостовые выпрямительные системы
Системы для ручной дуговой
сварки обычно компонуют по схеме, показанной на рис.3.34,а. Для обеспечения
жесткой характеристики трехфазный понижающий трансформатор должен иметь
минимальное рассеяние, иногда его первичные обмотки секционируют для
регулирования выпрямленного напряжения в небольших пределах. Наклон внешней
характеристики обычно не более 0,01 В/А. В мощных выпрямителях используют все
разновидности шестифазных схем выпрямления. Сварочные свойства выпрямительных
систем с балластными реостатами близки к аналогичным характеристикам
однопостовых выпрямителей.

Рис.3.34. Многопостовые выпрямительные
системы: а – с постовыми регуляторами; б – с выпрямительными постовыми
устройствами
Промышленностью
выпускаются различные типы многопостовых выпрямителей, которые отличаются либо схемой
выпрямления, либо способами разделения постов.
При наличии нескольких
сварочных постов рационально использовать многопостовую систему питания от 4 до
30 постов на один источник. Многопостовые выпрямительные системы изготовляют на
токи 1000, 1600 и 5000 А. По назначению различают системы для ручной,
механизированной сварки в углекислом газе и универсальные ().
Многопостовая система
имеет общий источник, шинопровод и постовые устройства. Она должна иметь
развязку постов, т.е. обеспечивать независимость режимов сварки постов друг от
друга. Поэтому внешняя характеристика общего источника должна быть жесткой.
Действительно, при падающей характеристике выпрямителя короткое замыкание на
одном из постов вызовет снижение напряжения источника и погасание дуги на
других постах. Таким образом, для развязки ток короткого замыкания поста должен
быть ограничен наличием балластного реостата R б1
.
Наибольшее распространение
получила простейшая система (рис.3.34,а). В ней используется многопостовой
выпрямитель, состоящий из трансформатора Т и силового выпрямительного блока VD.
Шинопровод с целью экономии кабелей, как правило, выполняется общим для всего
цеха в виде голых медных шин, проложенных по стене. Сечение шинопровода
рассчитывается из условия, что у самого отдаленного потребителя напряжение
источника снизится не более чем на 5%. Постовые балластные реостаты РБ
(рис.3.35) выполняют функции развязки, регулирования режима и формирования
падающей характеристики. При многопостовом питании постов для сварки в СО 2
в качестве развязки используется реактор
или электронный
регулятор, собранный на управляемых элементах

Рис.3.35. Балластный
реостат РБ-302
Уравнение внешней
характеристики на отдельном посту следующее:
U n
= U в
– I д
R б
≈ U 0
– I д
R б
.
(3.17)
На рис.3.36 видно, что с
ростом сварочного тока I д
увеличиваются потери напряжения на
балластном реостате I д
R б
и снижается напряжение поста
При малом сопротивлении
реостата получаются пологопадающие характеристики, при большом сопротивлении –
крутопадающие характеристики.

Рис.3.36. Внешняя
характеристика сварочного поста при многопостовом питании
Для получения падающей характеристики
поста, запитанного от многопостового источника питания с жесткой
характеристикой, в сварочную цепь поста
включают последовательно балластный реостат
.
Поскольку балластный
реостат подключен последовательно с дугой (U п
= U д
), то
из уравнения (3.17) можно получить уравнение для анализа способов регулирования
режима.
I д
= (U в
– U д
)/R б
.
(3.18)
Основной способ
регулирования тока при ручной сварке – изменение сопротивления балластного
реостата: R б
В многопостовых системах
регулирование режима выполняется изменением сопротивления балластного реостата.
При проектировании
многопостовой системы и выборе тока основного источника I в
учитывают
количество постов n и средний ток поста I д
: I в
= I д
nk 0
.
При относительной
продолжительности нагрузки поста ПН < 1, расчетный ток может быть снижен за
счет коэффициента одновременности k 0
< 1:
При малом сопротивлении
реостата получаются пологопадающие характеристики, необходимые для сварки в
углекислом газе, а для регулирования скорости нарастания тока короткого
замыкания с целью снижения разбрызгивания используются реакторы.
Далее: 3.6.2. Выпрямители с постовыми
балластными реостатами
Источники со звеном повышенной частоты
Освоение производства источников питания со звеном повышенной частоты является перспективным и интенсивным направлением совершенствования оборудования для дуговой сварки.
Ниже приводятся сведения об инверторных источниках тока ВДУЧ-301 и ВДЧИ-251 (табл. 9).
Технические характеристики инверторных источников питания

Включение высокочастотного звена в структуру источников сварочного тока позволяет существенно снизить их массу и габаритные размеры, повысить КПД и коэффициент мощности, обеспечив широкие пределы регулирования и хорошие сварочные технологические свойства.
Инверторный тиристорный источник ВДУЧ-301 с пологопадающими и крутопадающими внешними характеристиками является универсальным выпрямителем для механизированной сварки в среде защитных газов и для ручной дуговой сварки.
Инверторный транзисторный источник ВДЧИ-251 предназначен для ручной дуговой сварки штучными электродами на постоянном токе в непрерывном и импульсном режимах. Выпрямитель имеет падающие внешние характеристики.
Сравнительные технические характеристики некоторых зарубежных инверторных источников приведены в табл. 10.
Технические характеристики зарубежных инверторных источников питания
Практическое пособие для электрогазосварщика (13 стр

Трансформаторы имеют ЖВХ и предназначены для сварки на автоматах с постоянной скоростью подачи электродной проволоки. Они имеют тиристорное регулирование и работают в режиме прерывистого тока. В трансформаторах применена система импульсорной стабилизации повторного возбуждения дуги. Трансформатор ТДФЖ-1002 имеет две ступени регулирования сварочного тока, а ТДФЖ-2002 – три ступени.
В основе построения трансформаторов заложена стержневая конструкция с разнесенными и жестко закрепленными катушками, параметры работы трансформаторов для автоматической сварки под флюсом приведены в табл. 4.
Параметры работы трансформаторов для автоматической сварки под флюсом

Практическое пособие для электрогазосварщика (13 стр

Трансформаторы имеют ЖВХ и предназначены для сварки на автоматах с постоянной скоростью подачи электродной проволоки. Они имеют тиристорное регулирование и работают в режиме прерывистого тока. В трансформаторах применена система импульсорной стабилизации повторного возбуждения дуги. Трансформатор ТДФЖ-1002 имеет две ступени регулирования сварочного тока, а ТДФЖ-2002 – три ступени.
В основе построения трансформаторов заложена стержневая конструкция с разнесенными и жестко закрепленными катушками, параметры работы трансформаторов для автоматической сварки под флюсом приведены в табл. 4.
Параметры работы трансформаторов для автоматической сварки под флюсом

№141 Сварочные многопостовые системы

В многопостовых системах источник питания снабжает энергией одновременно несколько сварочных постов. Такая система создает условия для более рационального использования производственных площадей и значительного уменьшения расходов на электроэнергию и обслуживание оборудования.
Для многопостовой сварки применяют мощный источник питания с жесткой внешней характеристикой (рис. 1).

Рис. 1. Принципиальная схема многопостового источника:
PH – реостат регулирования напряжения;
РБ – балластный реостат.
Для получения падающей характеристики на каждом сварочном посту сварочная дуга включается последовательно через балластный реостат (рис. 2). Изменением сопротивления реостата регулируют сварочный ток по формуле I
= ( U
в
– U
д
)/ R
,
где U
в
– напряжение на зажимах выпрямителя (обычно равно 70В), U
д
– напряжение дуги,

R
– сопротивление балластного реостата.
Рис. 2. Балластный реостат типа РБ:
а — внешний вид;
б — принципиальная схема.
1
– 22 — сопротивления.
I
– V — рубильники.

Падающая характеристика (рис. 3) имеет вид прямой линии II
. Она пересекает статическую характеристику сварочной дуги III
в точке 2
, являющейся точкой устойчивого горения дуги. Точка 1
соответствует холостой работе выпрямителя, а точка 3
— моменту короткого замыкания.
Рис. 3. Вольт-амперная характеристика сварочного генератора (
I
), сварочного поста при включении балластного реостата (
II
) и сварочной дуги (III).
Для ручной дуговой сварки покрытыми электродами используют многопостовые выпрямительные установки ВДМ-1001 (выпрямитель дуговой многопостовой, условный номинальный ток — 10), регистрационный номер —01, рассчитан на 1000А номинального тока) или ВДМ-1601.
Количество сварочных постов, которые можно подключить к многопостовому выпрямителю, определяют по формуле n
= I
/
( I
0
a
), где I
— номинальный ток выпрямителя, А; I
0
— наибольший ток, потребляемый одним сварочным постом; a
— коэффициент одновременности работы постов, применяемый в расчетах равным 0,6 — 0,65.
Определить количество сварочных постов от многопостового выпрямителя с номинальным током 1000А, если на каждом посту максимальный ток равен 200А ( n
=1000/200*0,6= 8,4; принимаем 8 постов).
Балластные реостаты (см. рис. 2) служат для создания падающей характеристики
на каждом посту и регулирования сварочного тока.
Реостатом производится ступенчатая регулировка сварочного тока в достаточно широких пределах (20 ступеней). Реостат состоит из пяти групп сопротивлений, которые с помощью пяти рубильников могут включаться в цепь сварочной дуги. Каждая группа сопротивлений включает в себя несколько элементов сопротивлений, выполненных из проволоки или ленты с большим удельным сопротивлением.
Из рис. 2 видно, что минимальный сварочный ток будет при включении рубильника I
, а максимальный — при включении всех пяти рубильников.
Выпускаются балластные реостаты типов РБ-201, РБ-301 и РБ-501. Реостат РБ-201 дает возможность регулировать сварочный ток от 10 до 200А через каждые 10А; РБ-301 – от 15 до 300А через каждые 15А; РБ-501 – от 25 до 500А через каждые 25А.
Для механизированной сварки плавящимся электродом в углекислом газе применяют многопостовые выпрямители ВДГМ-1602, ВДГМ-1602-1, ВДГМ-1602-2 в зависимости от числа сварочных постов и ВМГ-5000 с частотой пульсаций выпрямленного напряжения 300Гц.
Как получают падающую внешнюю характеристику на каждом сварочном посту
В современной промышленности существуют две системы питания сварочных постов – одно-и многопостовая.
При однопостовой системе каждый сварочный пост за-питывается от индивидуального источника питания: сварочного трансформатора, выпрямителя, инвертора и т.п., подключаемых непосредственно к силовой сети 220 или 380 вольт. При многопостовой системе используются более мощные источники, обеспечивающие работу одновременно нескольких постов от одного источника через общий шино-провод, подключенный к выходным зажимам этого источника. Основное требование к нему – обеспечение устойчивой работы каждого подключенного поста как в установившемся, так и в переходных режимах, независимо от воздействия других постов. Эта независимость обеспечивается неизменностью напряжения холостого хода для каждого поста, то есть жесткой вольтамперной характеристикой, так как при падающей характеристике короткое замыкание на одном из постов вызывает снижение напряжения и погасание дуги на других.
Многопостовое питание чаще всего используют для ручной дуговой сварки покрытыми электродами. Реже – для автоматической сварки под флюсом, механизированной сварки в защитных газах и аргонодуговой.
При многопостовом питании каждый сварочный пост подключается к шинопроводу через отдельное балластное сопротивление (балластный реостат), с помощью которого получают на посту падающую вольтамперную характеристику и регулируют силу сварочного тока (см. рисунок).

Многопостовые системы обладают следующими достоинствами. Их стоимость меньше суммарной стоимости заменяемых ими однопостовых источников, они требуют меньше места для размещения, упрощается их обслуживание и снижаются расходы на ремонт и техобслуживание.
С учетом всех этих достоинств эти системы достаточно широко используются в производствах, где в цехах одновременно работает значительное количество сварщиков (от 6-ти и больше). Например, в судостроении, тяжелом машиностроении и т.п. Однако КПД многопостовой системы с учетом потерь в балластных реостатах (по сути представляющих собой электроплитки с раскаляющимися сопротивлениями из хромовой проволоки или пластин, обогревающие мировое пространство) очень низкий – 30-40%. Это, соответственно, приводит к большому нерациональному расходу электроэнергии, стоимость которой, как известно, постоянно растет.
С учетом этого отрицательного фактора в последние годы появились устройства, способные заменить балластные реостаты и при этом не только обеспечить экономичность, но и создать ряд других технологических преимуществ, повышающих эффективность и облегчающих труд сварщика.
Наиболее технически совершенными и экономичными из них в настоящее время являются конверторы (регуляторы сварочного тока) MiniBag системы многопостовой сварки Off shore, разработанные и запатентованные итальянским концерном «Sol Welding» (дилер в России ООО «УПЦ «Мир сварки»).
Данные конверторы представляют из себя сварочные высокочастотные аппараты с одноступенчатой схемой преобразования тока, в отличие от трехступенчатой у инверторов, что существенно (в разы) повышает конструктивную надежность конвертора по сравнению с инвертором.
Данные конверторы, работающие на частоте более 18 кГц, обладают следующими преимуществами:
-малый вес и небольшие габаритные размеры, аналогичные инверторам;
-плавная регулировка силы сварочного тока, чего нет у балластных реостатов;
-малое энергопотребление (КПД порядка 98%, у балластного реостата – 30-40%);
-возможность удаления от источника питания до 200 метров;
-дополнительные функции, отсутствующие у балластных реостатов, облегчающие работу сварщика и снижающие требования к его квалификации;
-горячий старт, облегчающий зажигание дуги;
-антиприлипание электрода при коротких замыканиях;
-форсаж дуги (увеличение силы тока в момент переноса капли через дуговой промежуток, повышающий стабильность горения дуги);
-наложение на дугу и сварочную ванну с помощью встроенной в схему специальной платы управления частотных колебаний, перемешивающих ванну и снижающих содержание в ней диффузионного водорода (по результатам испытаний более чем на 20%) и, соответственно, снижающих вероятность образования таких дефектов, как поры и трещины;
-пониженным разбрызгиванием (практически, его отсутствием) электродного метала, что повышает при сварке электродами перлитного класса коэффициент наплавки на 5-8% по сравнению со сваркой от традиционных источников и, соответственно, обеспечивает экономию сварочных материалов на 7-8% и затрат трудоемкости на зачистку свариваемых кромок от налипших брызг;
-короткие сроки окупаемости затрат;
-возможность использования многопостовых систем для полуавтоматической сварки плавящимся электродом в защитных газах с применением подающих механизмов типа МТ и для ручной аргонодуговой сварки неплавящимся электродом на постоянном токе с применением аппаратов Tig Mini Bag.
№141 Сварочные многопостовые системы

В многопостовых системах источник питания снабжает энергией одновременно несколько сварочных постов. Такая система создает условия для более рационального использования производственных площадей и значительного уменьшения расходов на электроэнергию и обслуживание оборудования.
Для многопостовой сварки применяют мощный источник питания с жесткой внешней характеристикой (рис. 1).

Рис. 1. Принципиальная схема многопостового источника:
PH – реостат регулирования напряжения;
РБ – балластный реостат.
Для получения падающей характеристики на каждом сварочном посту сварочная дуга включается последовательно через балластный реостат (рис. 2). Изменением сопротивления реостата регулируют сварочный ток по формуле I
= ( U
в
– U
д
)/ R
,
где U
в
– напряжение на зажимах выпрямителя (обычно равно 70В), U
д
– напряжение дуги,

R
– сопротивление балластного реостата.
Рис. 2. Балластный реостат типа РБ:
а — внешний вид;
б — принципиальная схема.
1
– 22 — сопротивления.
I
– V — рубильники.

Падающая характеристика (рис. 3) имеет вид прямой линии II
. Она пересекает статическую характеристику сварочной дуги III
в точке 2
, являющейся точкой устойчивого горения дуги. Точка 1
соответствует холостой работе выпрямителя, а точка 3
— моменту короткого замыкания.
Рис. 3. Вольт-амперная характеристика сварочного генератора (
I
), сварочного поста при включении балластного реостата (
II
) и сварочной дуги (III).
Для ручной дуговой сварки покрытыми электродами используют многопостовые выпрямительные установки ВДМ-1001 (выпрямитель дуговой многопостовой, условный номинальный ток — 10), регистрационный номер —01, рассчитан на 1000А номинального тока) или ВДМ-1601.
Количество сварочных постов, которые можно подключить к многопостовому выпрямителю, определяют по формуле n
= I
/
( I
0
a
), где I
— номинальный ток выпрямителя, А; I
0
— наибольший ток, потребляемый одним сварочным постом; a
— коэффициент одновременности работы постов, применяемый в расчетах равным 0,6 — 0,65.
Определить количество сварочных постов от многопостового выпрямителя с номинальным током 1000А, если на каждом посту максимальный ток равен 200А ( n
=1000/200*0,6= 8,4; принимаем 8 постов).
Балластные реостаты (см. рис. 2) служат для создания падающей характеристики
на каждом посту и регулирования сварочного тока.
Реостатом производится ступенчатая регулировка сварочного тока в достаточно широких пределах (20 ступеней). Реостат состоит из пяти групп сопротивлений, которые с помощью пяти рубильников могут включаться в цепь сварочной дуги. Каждая группа сопротивлений включает в себя несколько элементов сопротивлений, выполненных из проволоки или ленты с большим удельным сопротивлением.
Из рис. 2 видно, что минимальный сварочный ток будет при включении рубильника I
, а максимальный — при включении всех пяти рубильников.
Выпускаются балластные реостаты типов РБ-201, РБ-301 и РБ-501. Реостат РБ-201 дает возможность регулировать сварочный ток от 10 до 200А через каждые 10А; РБ-301 – от 15 до 300А через каждые 15А; РБ-501 – от 25 до 500А через каждые 25А.
Для механизированной сварки плавящимся электродом в углекислом газе применяют многопостовые выпрямители ВДГМ-1602, ВДГМ-1602-1, ВДГМ-1602-2 в зависимости от числа сварочных постов и ВМГ-5000 с частотой пульсаций выпрямленного напряжения 300Гц.
№141 Сварочные многопостовые системы

В многопостовых системах источник питания снабжает энергией одновременно несколько сварочных постов. Такая система создает условия для более рационального использования производственных площадей и значительного уменьшения расходов на электроэнергию и обслуживание оборудования.
Для многопостовой сварки применяют мощный источник питания с жесткой внешней характеристикой (рис. 1).

Рис. 1. Принципиальная схема многопостового источника:
PH – реостат регулирования напряжения;
РБ – балластный реостат.
Для получения падающей характеристики на каждом сварочном посту сварочная дуга включается последовательно через балластный реостат (рис. 2). Изменением сопротивления реостата регулируют сварочный ток по формуле I
= ( U
в
– U
д
)/ R
,
где U
в
– напряжение на зажимах выпрямителя (обычно равно 70В), U
д
– напряжение дуги,

R
– сопротивление балластного реостата.
Рис. 2. Балластный реостат типа РБ:
а — внешний вид;
б — принципиальная схема.
1
– 22 — сопротивления.
I
– V — рубильники.

Падающая характеристика (рис. 3) имеет вид прямой линии II
. Она пересекает статическую характеристику сварочной дуги III
в точке 2
, являющейся точкой устойчивого горения дуги. Точка 1
соответствует холостой работе выпрямителя, а точка 3
— моменту короткого замыкания.
Рис. 3. Вольт-амперная характеристика сварочного генератора (
I
), сварочного поста при включении балластного реостата (
II
) и сварочной дуги (III).
Для ручной дуговой сварки покрытыми электродами используют многопостовые выпрямительные установки ВДМ-1001 (выпрямитель дуговой многопостовой, условный номинальный ток — 10), регистрационный номер —01, рассчитан на 1000А номинального тока) или ВДМ-1601.
Количество сварочных постов, которые можно подключить к многопостовому выпрямителю, определяют по формуле n
= I
/
( I
0
a
), где I
— номинальный ток выпрямителя, А; I
0
— наибольший ток, потребляемый одним сварочным постом; a
— коэффициент одновременности работы постов, применяемый в расчетах равным 0,6 — 0,65.
Определить количество сварочных постов от многопостового выпрямителя с номинальным током 1000А, если на каждом посту максимальный ток равен 200А ( n
=1000/200*0,6= 8,4; принимаем 8 постов).
Балластные реостаты (см. рис. 2) служат для создания падающей характеристики
на каждом посту и регулирования сварочного тока.
Реостатом производится ступенчатая регулировка сварочного тока в достаточно широких пределах (20 ступеней). Реостат состоит из пяти групп сопротивлений, которые с помощью пяти рубильников могут включаться в цепь сварочной дуги. Каждая группа сопротивлений включает в себя несколько элементов сопротивлений, выполненных из проволоки или ленты с большим удельным сопротивлением.
Из рис. 2 видно, что минимальный сварочный ток будет при включении рубильника I
, а максимальный — при включении всех пяти рубильников.
Выпускаются балластные реостаты типов РБ-201, РБ-301 и РБ-501. Реостат РБ-201 дает возможность регулировать сварочный ток от 10 до 200А через каждые 10А; РБ-301 – от 15 до 300А через каждые 15А; РБ-501 – от 25 до 500А через каждые 25А.
Для механизированной сварки плавящимся электродом в углекислом газе применяют многопостовые выпрямители ВДГМ-1602, ВДГМ-1602-1, ВДГМ-1602-2 в зависимости от числа сварочных постов и ВМГ-5000 с частотой пульсаций выпрямленного напряжения 300Гц.
Как получают падающую внешнюю характеристику на каждом сварочном посту при их питании от выпрямителя
Сварочные выпрямители, имеющие падающую характеристику, применяют для ручной сварки, резки и наплавки, а также для автоматической сварки под флюсом.
Падающая внешняя характеристика сварочного выпрямителя обеспечивается понижающим трансформатором с усиленными магнитными полями рассеяния (ВД-201 и ВД-306) или включением дросселя насыщения между трансформатором и выпрямителем (ВД-502-2).
Внешние характеристики выпрямителя
Устройство и принцип действия сварочных выпрямителей ВД-201 и ВД-306 аналогичны. Отличительной особенностью сварочного выпрямителя ВД-201 являются меньшие значения электрических параметров.
а — вид сбоку со снятым кожухом; б — общий вид
На металлической раме выпрямителя ВД-306 размещены (рис. 56) выпрямительный блок 1 с вентилятором и трехфазный понижающий трансформатор 2 с усиленными магнитными полями рассеяния. С трех сторон конструкция защищена кожухом, а сверху крышкой, на которой размещена рукоятка 3 плавного регулирования сварочного тока. На лицевой панели конструкции расположены амперметр 4, кнопки 5 «Пуск» и «Стоп», переключатель 6 диапазонов сварочного тока, два разъема 8 для подключения сварочного кабеля, имеющих соответствующую полярность (+) и (—), и разъем 9 для подключения выпрямителя к сети. Для обеспечения необходимого температурного режима полупроводниковых диодов в выпрямительном блоке имеется вентилятор. Металлическая рама установлена на двух колесах 7.
Усиленные магнитные потоки рассеяния трехфазного понижающего трансформатора получают изменением магнитной связи между первичной (неподвижной) и вторичной (подвижной) обмотками. Вторичную обмотку перемещают поворотом рукоятки 3 в соответствующую сторону, обеспечивая плавное изменение силы тока заданной ступени и падающую внешнюю характеристику. Ступенчатое регулирование осуществляют переключением обмоток трансформатора по схеме «звезда-звезда», обеспечивая ступень малых токов, и по схеме «треугольник-треугольник», обеспечивая ступень больших токов. Для этого служит переключатель 6 диапазонов сварочного тока, который на упрощенной электрической схеме (рис. 57) обозначен П. Для защиты полупроводниковых диодов от перенапряжений между фазами вторичной обмотки трансформатора 77 включены защитные разрядные цепи (на рис. 57 не показаны).
При нажатии кнопки «Пуск» (на рис. 57 не показана) включаются электродвигатель М вентилятора и вспомогательный трансформатор Т2. При достижении необходимой скорости обдува полупроводниковых диодов срабатывает реле контроля вентиляции, которое через свой замыкающий контакт К2 подает напряжение питания на магнитный пускатель К1. Магнитный пускатель К1 своими контактами подключает первичную обмотку трансформатора wl к напряжению сети. При этом на выходе
сварочного выпрямителя ВД-306 появится напряжение постоянного тока ?Ль он готов к работе. По окончании работы необходимо нажать кнопку «Стоп» (на рис. 57 не показана).
Аварийное отключение сварочного выпрямителя происходит при сни¬жении скорости обдува полупроводниковых диодов, при пробое любого из диодов или при замыкании вторичных обмоток трансформатора w2 на корпус. При снижении скорости обдува диодов отключается реле контроля вентиляции К2, а при пробое одного из диодов или замыкании вторичных обмоток трансформатора w2 на корпус срабатывает блок защиты, состоящий из вспомогательного трансформатора Т2, реле контроля КЗ и магнитного усилителя А. При этом отключается магнитный пускатель /С/.
Принцип действия блока защиты основан на зависимости выходного тока магнитного усилителя от силы тока, протекающего по вторичной обмотке трансформатора 77. С этой целью через окна магнитопровода магнитного усилителя А проходят провода двух фазных обмоток трансформатора 77, которые выполняют функцию его обмотки управления. В нормальных условиях сила токов, протекающих в каждой фазе, соответствует номинальному значению. При этом магнитопровод магнитного усилителя А является ненасыщенным, а сила тока, проходящего по цепи: вторичная обмотка трансформатора Т2, реле контроля КЗ и рабочие обмотки магнитного усилителя Л, не создает необходимого падения напряжения на обмотке реле контроля КЗ. При пробое диодов или замыкании вторичных обмоток трансформатора 77 сила тока, протекающего в соответствующей фазе, увеличивается. Это приводит к насыщению магнитопровода магнитного усилителя А и увеличению тока, проходящего по цепи: вторичная обмотка трансформатора Т2, реле контроля КЗ и рабочие обмотки магнитного усилителя Л, вызывая срабатывание реле контроля КЗ. Это реле своим контактом разрывает цепь управления магнитного пускателя К1, происходит отключение выпрямителя от сети.?
Сварочный выпрямитель ВД-502-2 предназначен для ручной дуговой сварки и автоматической сварки под флюсом. Крутопадающая внешняя характеристика выпрямителя обеспечивается изменением магнитного состояния дросселя насыщения, включенного между трансформатором и выпрямительным блоком. Изменение сварочного тока выпрямителя ВД-502-2 осуществляется ступенчато-плавно: ступенчатое — переключением двух секций первичной обмотки переключателем диапазонов сварочного тока, плавное — изменением силы тока намагничивания дросселя насыщения. Увеличение тока намагничивания приводит к увеличению сварочного тока данной ступени, и наоборот. Блок защиты выпрямителя ВД-502-2 аналогичен по устройству и принципу действия блоку защиты выпрямителя ВД-306.
В целях обеспечения высокого качества сварочного процесса выпрямитель ВД-502-2 снабжен стабилизатором напряжения, который обеспечивает постоянное значение выходного напряжения при колебаниях напряжения сети.
Наличие дистанционного пульта у выпрямителя ВД-502-2 позволяет управлять им на расстоянии. На пульте расположены выключатель сети и рукоятка регулятора сварочного тока. Лицевая панель выпрямителя ВД-502-2 аналогична лицевой панели выпрямителя ВД-306. Технические характеристики сварочных выпрямителей с падающей внешней характеристикой приведены в табл.
Сварочные выпрямители
Отечественные сварочные выпрямители имеют, как правило, трехфазное питание, выполняются как на диодах, так и на тиристорах. В выпрямителях используются трехфазная мостовая, двойная трехфазная схема с уравнительным дросселем и кольцевая схема выпрямления. В выпрямителях большой мощности диодное выпрямление во вторичном контуре сочетается с тиристорным регулированием по первичной стороне. В зависимости от числа сварочных постов, которые могут быть одновременно подключены к источнику, выпрямители подразделяются на однопостовые и многопостовые.
Выпрямители для ручной дуговой сварки выпускаются в соответствии с существующими стандартами на токи 200; 315; 400 А при ПН = 60 % и имеют крутопадающие характеристики (табл. 5, 6). Общий вид широко применяемого выпрямителя ВД-306 представлен на рис. 25.
Технические данные выпрямителей серии ВД

Технические данные выпрямителей


Рис. 25.
Выпрямитель ВД-306: а
– вид сбоку со снятым кожухом; б
– общий вид; 1
– выпрямительный блок с вентилятором; 2
– трехфазный понижающий трансформатор; 3
– рукоятка плавного регулирования сварочного тока; 4
– амперметр; 5
– кнопки “Пуск” и “Стоп”; 6
– переключатель диапазонов сварочного тока; 7
– колеса; 8
– разъемы для подключения (+) и (-); 9
– разъем для подключения выпрямителя к сети
Выпрямители выполнены по трехфазной мостовой схеме на кремниевых диодах. Основу выпрямителя составляет трансформатор с подвижными обмотками. Одновременное переключение первичных и вторичных обмоток трансформатора с “треугольника” на “звезду” позволяет получить две ступени регулирования тока.
Выпрямители для механизированной сварки выпускаются на токи 315 и 630 А, ПВ = 60 % и имеют пологопадающие внешние характеристики.
Выпрямители выполнены по трехфазной мостовой схеме на кремниевых диодах. Регулирование напряжения в выпрямителях ВДГ и ВСЖ плавно-ступенчатое. Плавное регулирование внутри ступени в ВДГ осуществляется дросселем насыщения, а в выпрямителе ВСЖ – трансформатором с магнитной коммутацией. В выпрямителях ВС регулирование ступенчатое – переключением витков обмоток.
Универсальные сварочные выпрямители типа ВДУ выпускаются на токи 500; 630 и 1250 А. Выпрямители имеют два вида внешних характеристик: пологопадающие и крутопадающие. Технические данные приведены в табл. 7.
Выпрямители ВДУ-505, ВДУ-506, ВДУ-601 выполнены на тиристорах по двойной трехфазной схеме выпрямления с уравнительным дросселем, а выпрямители ВДУ-1202 – по шестифазной схеме выпрямления с тиристорным регулированием по первичной стороне трансформатора. Выпрямители обеспечивают высокий уровень стабилизации напряжения и тока, имеют дистанционное регулирование, простой переход с одного вида внешних характеристик на другой.
Универсальные источники питания для дуговой сварки

Выпрямитель для импульсно-дуговой сварки (ВДГИ) обеспечивает питание сварочной дуги пульсирующим однополярным током, т. е. постоянным базовым током, на который периодически с частотой 50 или 100 Гц накладываются кратковременные импульсы тока. Выпрямитель входит в комплект полуавтомата ПДИ-304 для механизированной импульсно-дуговой сварки алюминия и нержавеющих сталей в среде аргона.
Выпрямитель ВДГИ-302 имеет следующие технические характеристики: номинальный сварочный ток – 315 А; номинальное рабочее напряжение – 35 В; пределы регулирования тока 40-325 А; пределы регулирования напряжения – 10-35 В; длительность импульса тока – 1,5-5,0 мс; КПД – 74 %; первичная мощность – 17,3 кВА; габариты – 720x593x938 мм; масса – 300 кг.
Регулирование напряжения и тока – тиристорное. Внешние характеристики по импульсному току жесткие, а по базовому току изменяются от крутопадающих до жестких по мере увеличения сварочного тока.
В случае, когда целесообразно по условиям работы использовать один источник питания для нескольких потребителей, применяются многопостовые сварочные системы. В этих системах один многопостовый выпрямитель снабжает энергией несколько сварочных постов.
Выпрямители серии ВДМ с реостатным регулированием выполняются на кремниевых диодах и имеют жесткую внешнюю характеристику, что обеспечивает независимую работу отдельных сварочных постов. Для получения падающих характеристик и регулирования тока на каждом сварочном посту используют ступенчатый балластный реостат (табл. 8).
Технические данные выпрямителей серии ВДМ

Преимущества многопостовых систем связаны с относительно небольшой стоимостью сварочного оборудования, простотой обслуживания, высокой загрузкой и высокой экономичностью многопостовых выпрямителей. Однако КПД сварочных постов снижается из-за значительных потерь электроэнергии в балластных реостатах.
Многопостовые выпрямители ВДМ-4х301 с тиристорным регулированием имеют единый трансформатор и самостоятельные тиристорные блоки с устройством фазового управления для каждого псота. Тиристорные блоки выполнены по двойной трехфазной схеме уравнительным дросселем в катодных цепях тиристорного блока. Автономное тиристорное регулирование позволяет обеспечить стабилизацию режима поста при колебаниях напряжения в сети, местное и дистанционное включение поста и плавное регулирование тока. Технические данные многопостовых выпрямителей приведены выше.
Сварочные выпрямители
Отечественные сварочные выпрямители имеют, как правило, трехфазное питание, выполняются как на диодах, так и на тиристорах. В выпрямителях используются трехфазная мостовая, двойная трехфазная схема с уравнительным дросселем и кольцевая схема выпрямления. В выпрямителях большой мощности диодное выпрямление во вторичном контуре сочетается с тиристорным регулированием по первичной стороне. В зависимости от числа сварочных постов, которые могут быть одновременно подключены к источнику, выпрямители подразделяются на однопостовые и многопостовые.
Выпрямители для ручной дуговой сварки выпускаются в соответствии с существующими стандартами на токи 200; 315; 400 А при ПН = 60 % и имеют крутопадающие характеристики (табл. 5, 6). Общий вид широко применяемого выпрямителя ВД-306 представлен на рис. 25.
Технические данные выпрямителей серии ВД

Технические данные выпрямителей


Рис. 25.
Выпрямитель ВД-306: а
– вид сбоку со снятым кожухом; б
– общий вид; 1
– выпрямительный блок с вентилятором; 2
– трехфазный понижающий трансформатор; 3
– рукоятка плавного регулирования сварочного тока; 4
– амперметр; 5
– кнопки “Пуск” и “Стоп”; 6
– переключатель диапазонов сварочного тока; 7
– колеса; 8
– разъемы для подключения (+) и (-); 9
– разъем для подключения выпрямителя к сети
Выпрямители выполнены по трехфазной мостовой схеме на кремниевых диодах. Основу выпрямителя составляет трансформатор с подвижными обмотками. Одновременное переключение первичных и вторичных обмоток трансформатора с “треугольника” на “звезду” позволяет получить две ступени регулирования тока.
Выпрямители для механизированной сварки выпускаются на токи 315 и 630 А, ПВ = 60 % и имеют пологопадающие внешние характеристики.
Выпрямители выполнены по трехфазной мостовой схеме на кремниевых диодах. Регулирование напряжения в выпрямителях ВДГ и ВСЖ плавно-ступенчатое. Плавное регулирование внутри ступени в ВДГ осуществляется дросселем насыщения, а в выпрямителе ВСЖ – трансформатором с магнитной коммутацией. В выпрямителях ВС регулирование ступенчатое – переключением витков обмоток.
Универсальные сварочные выпрямители типа ВДУ выпускаются на токи 500; 630 и 1250 А. Выпрямители имеют два вида внешних характеристик: пологопадающие и крутопадающие. Технические данные приведены в табл. 7.
Выпрямители ВДУ-505, ВДУ-506, ВДУ-601 выполнены на тиристорах по двойной трехфазной схеме выпрямления с уравнительным дросселем, а выпрямители ВДУ-1202 – по шестифазной схеме выпрямления с тиристорным регулированием по первичной стороне трансформатора. Выпрямители обеспечивают высокий уровень стабилизации напряжения и тока, имеют дистанционное регулирование, простой переход с одного вида внешних характеристик на другой.
Универсальные источники питания для дуговой сварки

Выпрямитель для импульсно-дуговой сварки (ВДГИ) обеспечивает питание сварочной дуги пульсирующим однополярным током, т. е. постоянным базовым током, на который периодически с частотой 50 или 100 Гц накладываются кратковременные импульсы тока. Выпрямитель входит в комплект полуавтомата ПДИ-304 для механизированной импульсно-дуговой сварки алюминия и нержавеющих сталей в среде аргона.
Выпрямитель ВДГИ-302 имеет следующие технические характеристики: номинальный сварочный ток – 315 А; номинальное рабочее напряжение – 35 В; пределы регулирования тока 40-325 А; пределы регулирования напряжения – 10-35 В; длительность импульса тока – 1,5-5,0 мс; КПД – 74 %; первичная мощность – 17,3 кВА; габариты – 720x593x938 мм; масса – 300 кг.
Регулирование напряжения и тока – тиристорное. Внешние характеристики по импульсному току жесткие, а по базовому току изменяются от крутопадающих до жестких по мере увеличения сварочного тока.
В случае, когда целесообразно по условиям работы использовать один источник питания для нескольких потребителей, применяются многопостовые сварочные системы. В этих системах один многопостовый выпрямитель снабжает энергией несколько сварочных постов.
Выпрямители серии ВДМ с реостатным регулированием выполняются на кремниевых диодах и имеют жесткую внешнюю характеристику, что обеспечивает независимую работу отдельных сварочных постов. Для получения падающих характеристик и регулирования тока на каждом сварочном посту используют ступенчатый балластный реостат (табл. 8).
Технические данные выпрямителей серии ВДМ

Преимущества многопостовых систем связаны с относительно небольшой стоимостью сварочного оборудования, простотой обслуживания, высокой загрузкой и высокой экономичностью многопостовых выпрямителей. Однако КПД сварочных постов снижается из-за значительных потерь электроэнергии в балластных реостатах.
Многопостовые выпрямители ВДМ-4х301 с тиристорным регулированием имеют единый трансформатор и самостоятельные тиристорные блоки с устройством фазового управления для каждого псота. Тиристорные блоки выполнены по двойной трехфазной схеме уравнительным дросселем в катодных цепях тиристорного блока. Автономное тиристорное регулирование позволяет обеспечить стабилизацию режима поста при колебаниях напряжения в сети, местное и дистанционное включение поста и плавное регулирование тока. Технические данные многопостовых выпрямителей приведены выше.
Как получают падающую внешнюю характеристику на каждом сварочном посту при питании от многопостового
В современной промышленности существуют две системы питания сварочных постов – одно-и многопостовая.
При однопостовой системе каждый сварочный пост за-питывается от индивидуального источника питания: сварочного трансформатора, выпрямителя, инвертора и т.п., подключаемых непосредственно к силовой сети 220 или 380 вольт. При многопостовой системе используются более мощные источники, обеспечивающие работу одновременно нескольких постов от одного источника через общий шино-провод, подключенный к выходным зажимам этого источника. Основное требование к нему – обеспечение устойчивой работы каждого подключенного поста как в установившемся, так и в переходных режимах, независимо от воздействия других постов. Эта независимость обеспечивается неизменностью напряжения холостого хода для каждого поста, то есть жесткой вольтамперной характеристикой, так как при падающей характеристике короткое замыкание на одном из постов вызывает снижение напряжения и погасание дуги на других.
Многопостовое питание чаще всего используют для ручной дуговой сварки покрытыми электродами. Реже – для автоматической сварки под флюсом, механизированной сварки в защитных газах и аргонодуговой.
При многопостовом питании каждый сварочный пост подключается к шинопроводу через отдельное балластное сопротивление (балластный реостат), с помощью которого получают на посту падающую вольтамперную характеристику и регулируют силу сварочного тока (см. рисунок).

Многопостовые системы обладают следующими достоинствами. Их стоимость меньше суммарной стоимости заменяемых ими однопостовых источников, они требуют меньше места для размещения, упрощается их обслуживание и снижаются расходы на ремонт и техобслуживание.
С учетом всех этих достоинств эти системы достаточно широко используются в производствах, где в цехах одновременно работает значительное количество сварщиков (от 6-ти и больше). Например, в судостроении, тяжелом машиностроении и т.п. Однако КПД многопостовой системы с учетом потерь в балластных реостатах (по сути представляющих собой электроплитки с раскаляющимися сопротивлениями из хромовой проволоки или пластин, обогревающие мировое пространство) очень низкий – 30-40%. Это, соответственно, приводит к большому нерациональному расходу электроэнергии, стоимость которой, как известно, постоянно растет.
С учетом этого отрицательного фактора в последние годы появились устройства, способные заменить балластные реостаты и при этом не только обеспечить экономичность, но и создать ряд других технологических преимуществ, повышающих эффективность и облегчающих труд сварщика.
Наиболее технически совершенными и экономичными из них в настоящее время являются конверторы (регуляторы сварочного тока) MiniBag системы многопостовой сварки Off shore, разработанные и запатентованные итальянским концерном «Sol Welding» (дилер в России ООО «УПЦ «Мир сварки»).
Данные конверторы представляют из себя сварочные высокочастотные аппараты с одноступенчатой схемой преобразования тока, в отличие от трехступенчатой у инверторов, что существенно (в разы) повышает конструктивную надежность конвертора по сравнению с инвертором.
Данные конверторы, работающие на частоте более 18 кГц, обладают следующими преимуществами:
-малый вес и небольшие габаритные размеры, аналогичные инверторам;
-плавная регулировка силы сварочного тока, чего нет у балластных реостатов;
-малое энергопотребление (КПД порядка 98%, у балластного реостата – 30-40%);
-возможность удаления от источника питания до 200 метров;
-дополнительные функции, отсутствующие у балластных реостатов, облегчающие работу сварщика и снижающие требования к его квалификации;
-горячий старт, облегчающий зажигание дуги;
-антиприлипание электрода при коротких замыканиях;
-форсаж дуги (увеличение силы тока в момент переноса капли через дуговой промежуток, повышающий стабильность горения дуги);
-наложение на дугу и сварочную ванну с помощью встроенной в схему специальной платы управления частотных колебаний, перемешивающих ванну и снижающих содержание в ней диффузионного водорода (по результатам испытаний более чем на 20%) и, соответственно, снижающих вероятность образования таких дефектов, как поры и трещины;
-пониженным разбрызгиванием (практически, его отсутствием) электродного метала, что повышает при сварке электродами перлитного класса коэффициент наплавки на 5-8% по сравнению со сваркой от традиционных источников и, соответственно, обеспечивает экономию сварочных материалов на 7-8% и затрат трудоемкости на зачистку свариваемых кромок от налипших брызг;
-короткие сроки окупаемости затрат;
-возможность использования многопостовых систем для полуавтоматической сварки плавящимся электродом в защитных газах с применением подающих механизмов типа МТ и для ручной аргонодуговой сварки неплавящимся электродом на постоянном токе с применением аппаратов Tig Mini Bag.
Источники со звеном повышенной частоты
Освоение производства источников питания со звеном повышенной частоты является перспективным и интенсивным направлением совершенствования оборудования для дуговой сварки.
Ниже приводятся сведения об инверторных источниках тока ВДУЧ-301 и ВДЧИ-251 (табл. 9).
Технические характеристики инверторных источников питания

Включение высокочастотного звена в структуру источников сварочного тока позволяет существенно снизить их массу и габаритные размеры, повысить КПД и коэффициент мощности, обеспечив широкие пределы регулирования и хорошие сварочные технологические свойства.
Инверторный тиристорный источник ВДУЧ-301 с пологопадающими и крутопадающими внешними характеристиками является универсальным выпрямителем для механизированной сварки в среде защитных газов и для ручной дуговой сварки.
Инверторный транзисторный источник ВДЧИ-251 предназначен для ручной дуговой сварки штучными электродами на постоянном токе в непрерывном и импульсном режимах. Выпрямитель имеет падающие внешние характеристики.
Сравнительные технические характеристики некоторых зарубежных инверторных источников приведены в табл. 10.
Технические характеристики зарубежных инверторных источников питания